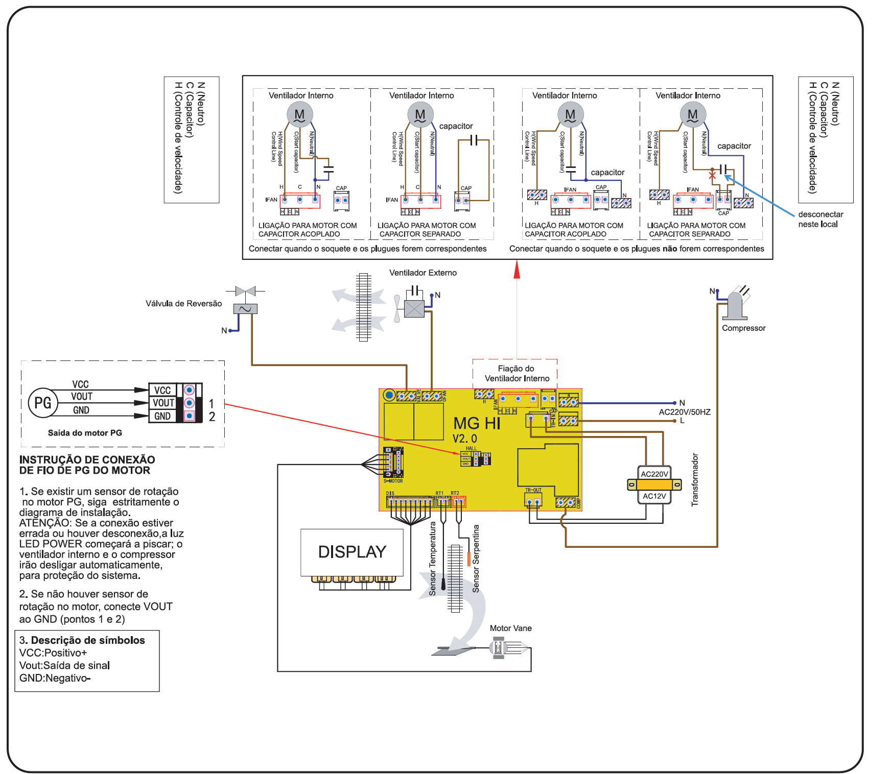
Placa de uso universal para evaporadoras de ar condicionado split (hi-wall) de 7 a 30.000btus, frio e quente-frio.
Duráveis e versáteis, as placas eletrônicas Multimarcas Migrare para controle de ar condicionado são dispositivos que se adaptam a diversas marcas disponíveis no mercado.
As placas Migrare tem a melhor compatibilidade do mercado mantendo todas as funções da placa original.
Atenção ! Modelo não se aplica a tecnologia INVERTER.
Características
5 modos de funcionamento: Automático | Refrigeração | Desumidificação | Aquecimento | Ventilação
3 velocidades de ventilação
Controle de temperatura
Função timer
Swing
Prevenção de ar frio quando na função aquecimento
Ventilação externa controlada
Display led no controle remoto
Timer liga/desliga
Details
| inclusos | Display Digital com cabo de 60cm e fita dupla-face, evitando perfurações no gabinete. |
|---|---|
| REF | HI-XT |



