Duráveis e versáteis, as placas eletrônicas Multimarcas Migrare para controle de ar condicionado são dispositivos que se adaptam a diversas marcas disponíveis no mercado brasileiro, sendo divididas por modelo e potência do ar-condicionado
As placas Migrare tem a melhor compatibilidade do mercado e todas as funções da placa original
Características
5 modos de funcionamento: Automático | Refrigeração | Desumidificação | Aquecimento | Ventilação
3 velocidades de ventilação
Controle de temperatura
Função timer
Swing
Prevenção de ar frio quando na função aquecimento
Ventilação externa controlada
Display led no controle remoto
Timer liga/desliga
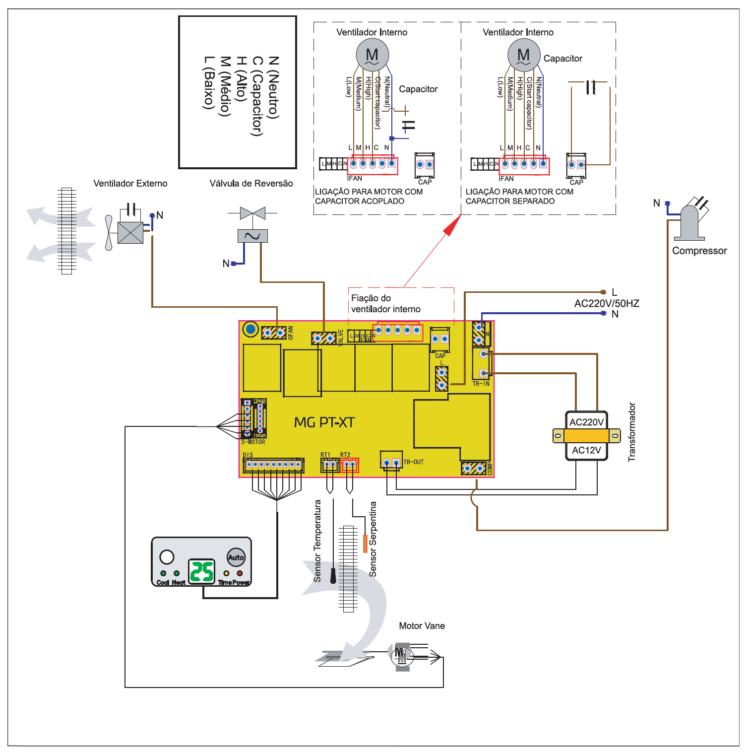
download: ESQUEMA ELÉTRICO
Details
| Inclusos | Display DIGITAL com cabo de 60cm e fita dupla-face, evitando perfurações no gabinete. NOVO! |
|---|---|
| REF | PT-XT |




